解决方案
风光变频器在油田修井机上的应用
1引言
原油田修井机井的缺点:柴油机械耗能高,排放大量的废气,污染环境。机械传动零件磨损严重,事故率高,操作过程复杂,工人劳动强度高。噪声高。
2油田修井机采用变频器的优点
(1)用变频调速电机(普通三相异步电动机也可)代替柴油机,可以省去一大部分的机械传动装置,少出故障,减少维修,提高效率。
(2)以“电驱代替油驱”,可以节省昂贵的柴油。
(3)没有废气的排放,做到清洁环保。社会效益可观。
(4)电驱自动化程度更强,减少工人的劳动强度,提高工作效率。
3修井机变频器的功能特点
3.1应用环境和工作方式
(1)为油田油井作业机变频调速电动机提供电源。
(2)工作方式:主要提升、下放油管、类似吊车、提升机的工作方式。
(3)野外作业,工作环境比较恶劣。适合-40℃~50℃环境下长期工作。
(4)由于现场供电条件的限制,控制台和变频器之间相距50m~100m。也可进行远程操作与监控。
3.2变频器参数
输入电压:AC 380V、3相
输入电压波动:±20%
输入频率:50Hz
输入频率波动:±5%
额定输出电压:340V AC3相(在恒功率调速范围内从25Hz上调到85Hz时,输出电压同步从340V上调到380V)
额定输出频率(基准频率)25Hz
最高输出频率:85Hz
输出频率调节范围:0.5~85Hz
工作方式:连续
3.3变频器的主要控制功能
变频器具有启动/停止功能
正/反转控制功能
正转快,正转慢,正转点动功能
反转快,反转慢,反转点动功能
变频器复位功能
频率调节(转速调节)功能
电压、电流显示功能
变频器故障显示功能
3.4其它特性
(1)四象限运行,S形加减速曲线。
(2)变频器在启动之前自动进行直流励磁使电动机有足够大的转矩(可达额定转矩的200%),可以维持重物在空中处于近似停止状态。
(3)变频器低速运行时,最大转矩提升可达到200%,保证制动器松动或失灵时不会出现重物的下滑,确保系统安全可靠。
(4)变频器具有快速的动态响应,不会出现“溜钩”。
(5)当吊重物的大钩卡住时可以自动断开电源,保护设备不受损害。
(6)变频器配有回馈单元,将再生能量回馈电网。
(7)变频器配有制动单元,内含刹车电阻和刹车控制系统。(当快速停机时,耗掉系统的惯性能量)。
(8)变频器具有封锁输出功能,下放时也可使吊钩快速自由落体。
(9) 变频器设有转矩记忆功能:为了确保提升机构安全运行,启动时,必须保证变频器在电动机轴上输出转矩达到负载转矩或大于负载转矩时,才能打开制动抱闸,这样才能有效避免提升机构失控。
(10) 变频器在正常工作时(非启动、低转速运行),具有转矩限制功能:如果当电动机轴转矩达到或超过预设值时,此功能自动调整输出频率,防止变频器由于过流而跳闸。
3.5变频器具有各种保护功能
过载保护、过电压保护、浪涌抑制、欠电压保护、输入断相保护、变频器过热及电机过热保护、短路保护、失速保护。
4变频器结构设计
4.1主回路结构
修井机要求变频器四象限运行,对于产生的再生能量要求变频器配有回馈单元进行处理,变频器主回路结构如图1所示。

图1 主回路图
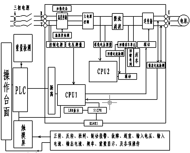
4.2整机控制原理
风光牌修井机变频器控制原理如图2所示。
图2 整机控制原理图
5操作方式
变频器操作方式灵活,可分为按钮操作、面板操作(触摸屏操作)两种方式。
5.1按钮操作
(1)手动方式
开机:在操作台上按下正转按钮,变频器正转启动,松闸后运行,按住该按钮不释放,变频器频率持续上升,电机持续加速运行,松开按钮,变频频率停止上升,电机在该频率上匀速运行。这时按下反转按钮,变频器频率逐渐下降至零,并在电机停止正转运行的瞬间,自动输出足够大的直流制动力矩来抱住电机,使负载不下滑,然后电机接着开始反转运行。反转切换至正转也一样。
减速:变频器在某一频率上运行时,按住此按钮不释放,频率一直下降,松开按钮,频率停止下降。电机在该频率对应的速度运行。
停机:变频器不管运行在任何频率,按下此按钮时,变频器频率下降,降为零时输出直流制动力矩来抱住电机。拉回手闸直流制动解除。
点动:通过正反按钮来定方向,按住此按钮,变频器频率开始上升,松开按钮,频率下降至最低频率0.5Hz.。
记忆开机:开机前按下频率记忆开,下次运行频率自动上升到记忆频率。
开机前按下频率记忆关,下次运行将由手动从0.5Hz开始加速调节。
(2)自动方式
将触摸屏上手动/自动打至自动。按下方向按钮,松闸后,运行将根据重量自动选择速度,实现轻载快速,重载慢速,自动加速,自动减速到达靠近停车位以最低速度运行,拉闸停车,方向自动解除。即可进入下个工作循环。
5.2面板操作(触摸屏操作)
(1)触摸屏共四个画面:第一面如图3所示,上面具有正转指示、反转指示、松闸指示、制动报警指示、故障指示、超重指示。电压显示,输入电流显示,输出电流显示,频率显示,重量显示。按钮/面板是用按钮操作还是触摸屏操作的选择键。报警/静音用来故障声音报警,开环/闭环用来超重限制开机,按操作键进入第二画面,如图4所示。根据文字提示可进行相应操作。第三画面是时间和日期,如图5所示。按下页键进入第四画面,如图6所示,第四画面是显示校正。
图3
图4
图5
图6
(2)触摸屏上同样可以进行开停机操作,具备手动方式自动方式。
手动方式:将按钮/面板打至面板,将手动/自动打至手动。按方向正转或者反转,松闸后运行,近距调整,可进行点动操作。按方向或减速进行速度调节,到位停车,拉闸即可。方向自动解除。
自动方式:将按钮/面板打至面板,将手动/自动打至自动。按方向正转或者反转。松闸后,运行将根据重量自动选择速度,实现轻载快速,重载慢速,自动加速,自动减速到达靠近停车位以最低速度运行,拉闸停车,方向自动解除。即可进入下个工作循环。
6 结束语
风光修井机变频器对负载的适应能力强,又根据负载大小,自动调整力矩补偿,调整较佳运行速度,增加了设备的柔性。灵活简单的操作,自动化智能控制。针对耗能高,作业速度慢、故障多,难以修复的老式修井机进行技术改造为电驱动,配以变频器,让它们复活,重新为油田的生产作贡献。也可以做定型产品的配套,为专门生产“电驱”和“双驱”油田作业修井机配套。所以采用变频调速修井机就成为今后油田修井作业的发展方向。